Présentation d'une machine du début 1975 qui nous à donné du mal avec Charles pour sa remise en état (sans parler des courroies fondues) conçue avec la méthode Philips bien sur ingénieuse pour certains points mais un peu foutoir au niveau de la mise en oeuvre et du cablage.
Mais munie d'une cellule 422-II c'est une platine intéressante bien que relativement chère à sa sortie .
.
D'abord la pub de 1975....
.

- 209S_pub_1.jpg (603.37 Kio) Vu 38973 fois
.

- 209S_pub_2.jpg (511.26 Kio) Vu 38973 fois
.
Puis quelques photos
.

- 209-00.jpg (189.77 Kio) Vu 38973 fois
.

- 209-1.jpg (173.47 Kio) Vu 38973 fois
.

- 209-2.jpg (180.44 Kio) Vu 38973 fois
.

- 209-3.jpg (142.38 Kio) Vu 38973 fois
.

- 209-4.jpg (148.37 Kio) Vu 38973 fois
.

- 209-5.jpg (142.72 Kio) Vu 38973 fois
.
puis quelques photos des travaux , flasques bois pour travailler (la rôtissoire étant occupée )
.

- 209-10.jpg (143.89 Kio) Vu 38973 fois
.

- 209-11.jpg (205.33 Kio) Vu 38973 fois
.
inter M/A hors service remplacé par un modèle plus récent avec adaptation...
.

- 209-12.jpg (136.38 Kio) Vu 38973 fois
.
corroies des deux moteurs déplacements latéraux et verticaux fondues donc à remplacer ...(nettoyage au dissolvant universel Leroy Lidl Casto...)
.
.

- 209-13.jpg (243.65 Kio) Vu 38973 fois
.

- 209-14.jpg (246.21 Kio) Vu 38973 fois
.

- 209-15.jpg (250.51 Kio) Vu 38973 fois
.
remplacement de quelques condos carte électronique ,d'un transistor défectueux et tripatouillages divers .....
.
comme vous êtes un peu pervers vue complète de sous les jupes !!!!!
.

- 209-16.jpg (326.52 Kio) Vu 38973 fois
.
ainsi que le dessous du plateau avant nettoyage ,avec ses pistes de contact pour les détecteurs de diamètre disque et son commutateur auto 33-45 (alu marqué x)
.

- 209-17.jpg (214.84 Kio) Vu 38973 fois
.
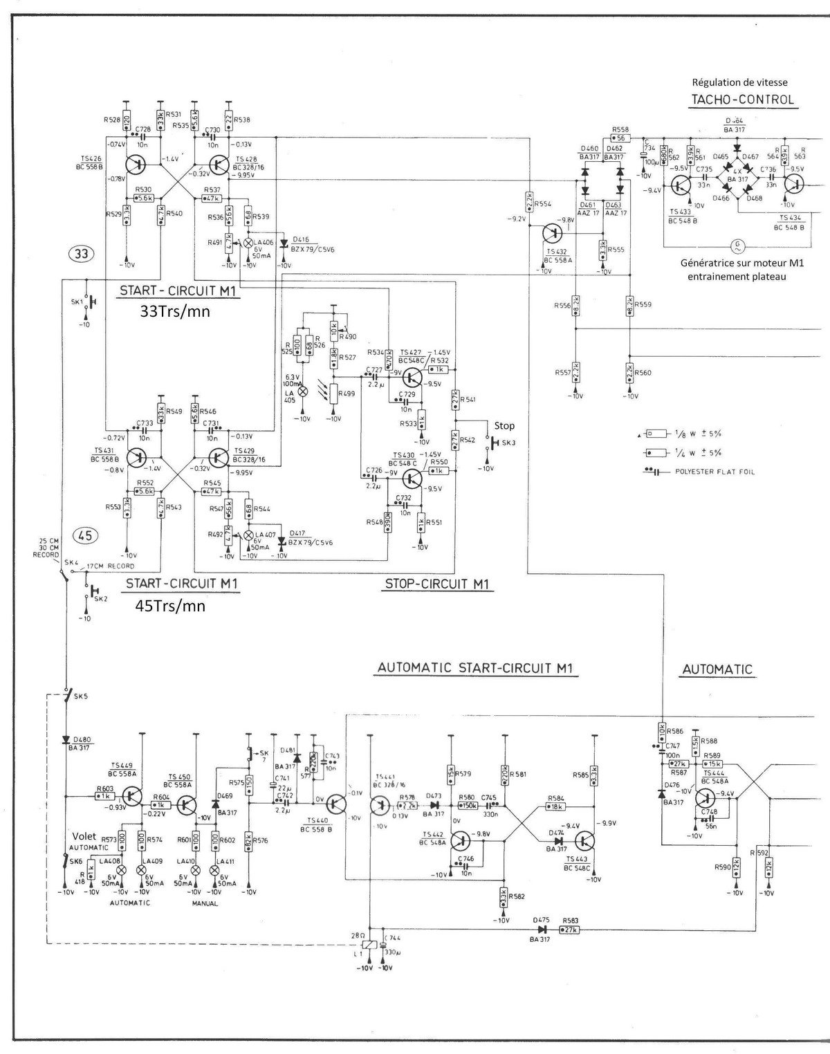
Ci dessous un essai de 1975 avec schéma
.

- ga209_1975_1.jpg (236.27 Kio) Vu 38806 fois
.

- ga209_1975_2.jpg (215.27 Kio) Vu 38806 fois
.

- ga209_1975_3.jpg (221.55 Kio) Vu 38806 fois
.

- ga209_1975_4.jpg (679.38 Kio) Vu 38806 fois
.

- ga209_1975_5.jpg (302 Kio) Vu 38806 fois
.