Merci pour ce descriptif, Jean.
On va pour ceux qui le désirent, regarder un peu le schéma du circuit, sans son alimentation au départ :

- ve_sony_ha-55_service.jpg (67.09 Kio) Vu 14001 fois
Le sélecteur d'entrée donne donc 3 positions :
-By pass pour les cellules MM.
-Pour les cellules inférieures à 3 ohms, l'impédance d'entrée réelle est de 25 ohms. (33//560//120ohms)
-Pour les cellules supérieures à 3 ohms et inférieures à 40 ohms, l'impédance d'entrée réelle est de 100 ohms. (560//120ohms)
Le signal attaque ensuite deux condensateurs tantales (goutte je suppose) de 470µF en //. Cette valeur élevée se justifie à cause de la faible impédance d'entrée. Noter que déjà à l'époque, Sony connaissait les problèmes que pouvaient entrainer ces condensateurs à l'écoute, d'où le 15nF en //.
Le circuit qui suit est un différentiel (paire différentielle) chargé par un miroir de courant. Son vrai nom est le symmetric Widlar's mirror du nom de son inventeur Bob Widlar. C'est ce que Sony nomme sur le schéma MDL1 entouré de pointillés. Sony ne donne pas le modèle des transistors, si une âme charitable... A noter que ce module consomme la bagatelle de 32mA (16mA par branche) et que les transistors doivent être choisis en conséquence. Ce circuit Widlar a été spécialement étudié pour les petit signaux.
Donc cet étage fournit le gain, assez conséquent d'ailleurs.
L'étage qui suit (buffer amp) de gain proche de l'unité, est composé de deux transistors NPN 2SC1775 (tiens donc) et 2SC1811, chacun monté en collecteur commun ou émetteur follower, pour abaisser l'impédance de sortie afin de pouvoir attaquer un préampli phono MM avec autre chose que 10cm de longueur de câble.
Noter la contre réaction (47 et 2,2 ohm)obligatoire, qui fixe le gain du prépré, soit 1 + le rapport des deux résistances. Cela nous donne 20,3 soit 27db pile poil, comme Sony l'annonce.
Ce qui signifie que si votre cellule MC a un niveau de sortie de 0,2mV comme la XL-55 pro, vous aurez 4mV en sortie, ce qui est parfait pour attaquer un préampli MM .
Noter également le condo de sortie composé de deux tantales (goutte je suppose encore) de 100µF en série, avec un non polarisé (le même qu'en entrée) en // formant ainsi un condensateur de 50µF.
Schéma bien pensé, bien étudié. Mais allez vous dire, à quoi ça sert que je mette des supers condos polypro ou autre en liaison dans mon ampli et préampli, si c'est pour que dès la sortie de la cellule, le signal traverse deux tantales ?
Si vous regardez attentivement le schéma, vous vous rendrez compte qu'il y a 0V en entrée, et 0V en sortie. En fait, le condensateur d'entrée et de sortie ne sont pas obligatoires, surtout avec une alimentation aussi archi régulée que celle proposée. Ce schéma est à couplage direct. Mais Sony ne peut pas se permettre le risque. En effet, une petite dérive en continue en sortie de quelques millivolts peut être acceptable pour le préampli MM qui suit. Mais en entrée, ce sont les bobines de la cellule qui vont charger si cette dérive est trop importante. Donc sécurité avant tout.
Il y a également en sortie un relais, qui permet aux condensateurs de sortie de se décharger pendant quelques secondes afin d'éviter tout "cloc" à l'allumage, surtout si (ce qui ne faut pas faire !) vous allumez le prépré après les autres maillons de votre chaîne.
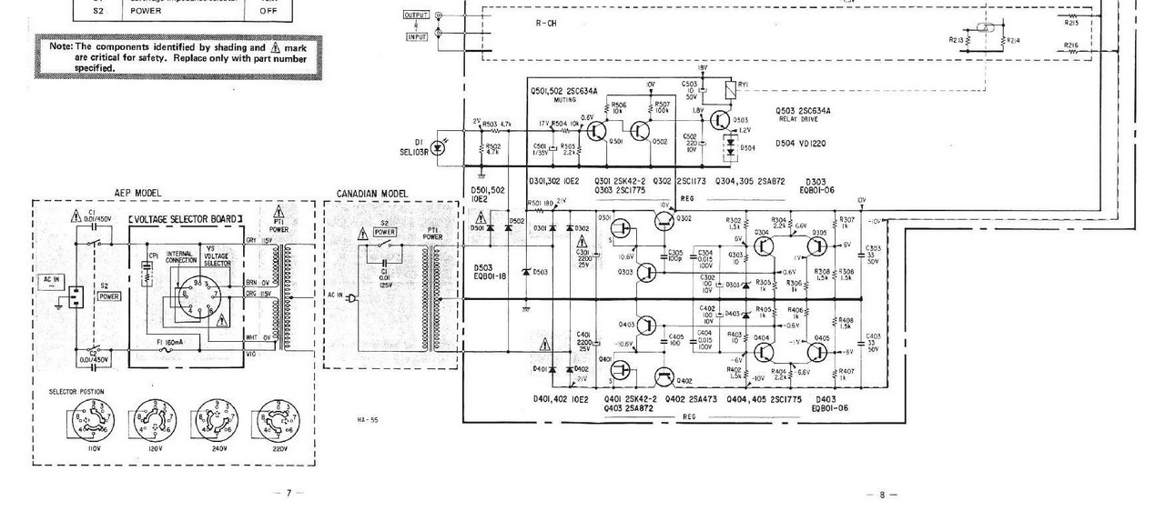
L'alimentation symétrique (+ -10V) régulée est parfaitement chiadée. Très silencieuse, et à très basse impédance, celle-ci doit permettre une très fort recul du bruit, -157db/V (une paille) annoncé par le constructeur.
Avec deux primaires de 115V et un sélecteur, (voltage selector board) Sony avait pensé à l'exportation, rendant cet appareil universel.

- ve_sony_ha-55_service-3.jpg (159.96 Kio) Vu 14001 fois
Bref, en la fin des années 70, 1977 exactement, en matière de pré préamplificateur, le HA-55 était certainement ce qui ce faisait de mieux pour traiter le signal issu de nos chères cellules MC... il a permis aussi à certains audiophiles de l'époque de constater les qualités subjectives des transistors 2SC1775 et 2SA872, pour en faire d'autres schémas...