Le forum Audiovintage est privé.
En tant qu'invité, vous avez accès à certaines rubriques uniquement, l'ajout de nouveaux membres n'est pas possible pour le moment.

Harman-Kardon Citation I

Un chauffage pour l'hiver et du miel pour les oreilles.
Avatar du membre
Pougatchoff
Membre no life
Messages : 2899
Enregistré le : jeu. 31 déc. 2009 16:28
Localisation : Neuf Cube
Contact :

Re: Harman-Kardon Citation I Stereo Control Center

Message par Pougatchoff »

Je ne sais pas si tous les condos sont à changer mais si après contrôle c'est le cas faudra que je fasse comme lui :? : http://www.quadesl.com/refurb/refurb_hkCitation1.html"
Ohm Sweet Ohm
membre banni

Re: Harman-Kardon Citation I Stereo Control Center

Message par membre banni »

euh… c'est pas dans ces cas là que le DIY est utile non ? Il n'a d'H/K que la boite son préampli… :shock:
Avatar du membre
valere
Membre no life
Messages : 2318
Enregistré le : dim. 10 janv. 2010 10:37
Localisation : Hautes-Alpes

Re: Harman-Kardon Citation I Stereo Control Center

Message par valere »

Stephane a écrit :Je ne sais pas si tous les condos sont à changer mais si après contrôle c'est le cas faudra que je fasse comme lui :? : http://www.quadesl.com/refurb/refurb_hkCitation1.html"
! ATTENTION, j'ai un virus détécté par avast si ce lien.!
Si c'est bien ce que je crois je trouve ça nul, c'est détruire un bel appareil qui aurait certainement pu être restauré pour en faire quelquechose qui n'a rien à voir... J'ai vu un lux 350 traité ainsi et ça m'a fait mal. :shock:
:cow:
opus22
Super membre
Messages : 754
Enregistré le : ven. 25 juin 2010 22:04
Localisation : 22

Re: Harman-Kardon Citation I Stereo Control Center

Message par opus22 »

:helloman: très belle prise!!! :miam:
Hep brezhoneg, Breizh ebet!!!
Klemp

Re: Harman-Kardon Citation I Stereo Control Center

Message par Klemp »

ATTENTION, j'ai un virus détécté par avast si ce lien. !



Je l' ai eu également.... détecté par AVIRA...
membre banni

Re: Harman-Kardon Citation I Stereo Control Center

Message par membre banni »

Désolé les windosiens, j'ai pas d'anti-virus donc impossible pour moi de vous prévenir…
:roll:
Avatar du membre
Sgt.Pepper
Membre no life
Messages : 2902
Enregistré le : sam. 19 déc. 2009 17:06

Re: Harman-Kardon Citation I Stereo Control Center

Message par Sgt.Pepper »

Amateur de Linux ?
Je l'aurais bien utilisé moi aussi, mais je n'ai pas réussi à faire marcher mon wifi dessus :'D
Septembre 2025 : donne mes trois haut-parleurs Wharfedale W15/CS présentés sur ce forum, à venir chercher à Périgueux en Dordogne !
Klemp

Re: Harman-Kardon Citation I Stereo Control Center

Message par Klemp »

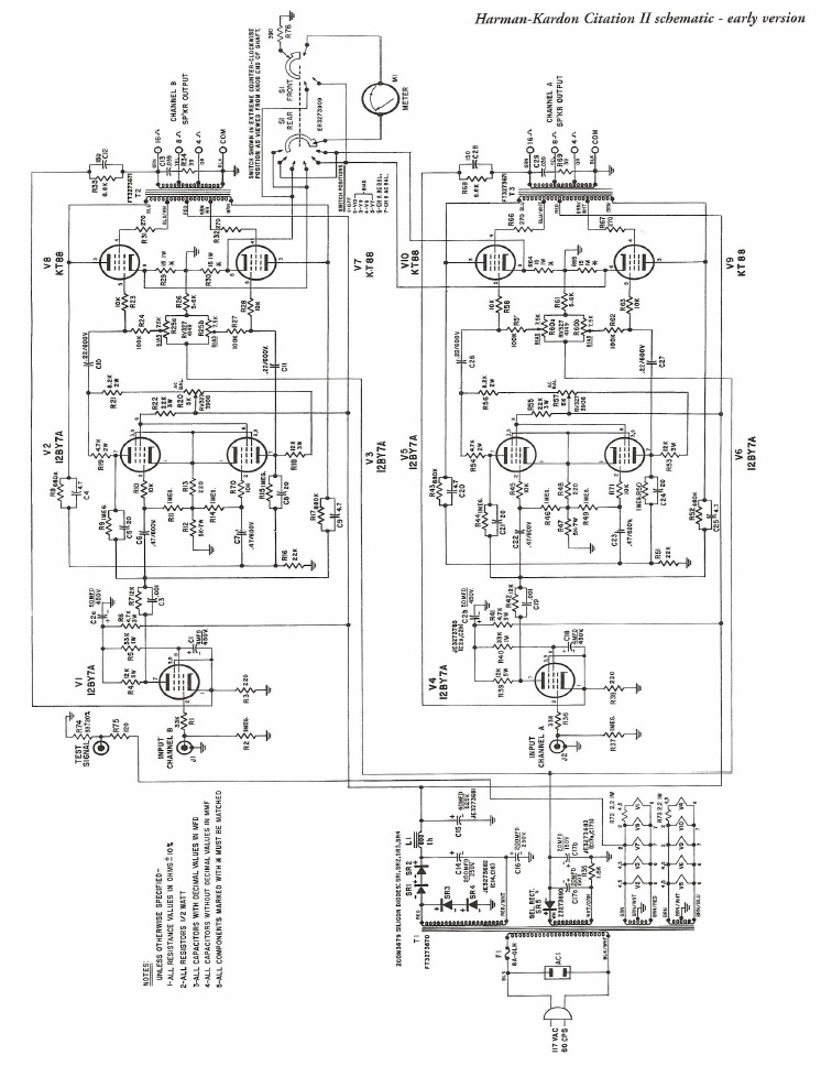
Je poste ici une présentation de Citation I et II...
HARMAN KARDON CITATION 1 ET 2 VTV 1.jpg
HARMAN KARDON CITATION 1 ET 2 VTV 1.jpg (396.29 Kio) Vu 2066 fois
HARMAN KARDON CITATION 1 ET 2 VTV 2.jpg
HARMAN KARDON CITATION 1 ET 2 VTV 2.jpg (363.42 Kio) Vu 2066 fois
HARMAN KARDON CITATION 1 ET 2 VTV 2.5.jpg
HARMAN KARDON CITATION 1 ET 2 VTV 2.5.jpg (183.08 Kio) Vu 2066 fois
HARMAN KARDON CITATION 1 ET 2 VTV 3.jpg
HARMAN KARDON CITATION 1 ET 2 VTV 3.jpg (333.16 Kio) Vu 2066 fois
HARMAN KARDON CITATION 1 ET 2 VTV 4.jpg
HARMAN KARDON CITATION 1 ET 2 VTV 4.jpg (370.41 Kio) Vu 2066 fois
HARMAN KARDON CITATION 1 ET 2 VTV 5.jpg
HARMAN KARDON CITATION 1 ET 2 VTV 5.jpg (356.16 Kio) Vu 2066 fois
Avatar du membre
Pougatchoff
Membre no life
Messages : 2899
Enregistré le : jeu. 31 déc. 2009 16:28
Localisation : Neuf Cube
Contact :

Re: Harman-Kardon Citation I Stereo Control Center

Message par Pougatchoff »

Merci :yes!:

Je scannerai le service manual et le mettrai dans la rubrique adéquate dès que possible.
Ohm Sweet Ohm
Avatar du membre
Pougatchoff
Membre no life
Messages : 2899
Enregistré le : jeu. 31 déc. 2009 16:28
Localisation : Neuf Cube
Contact :

Re: Harman-Kardon Citation I Stereo Control Center

Message par Pougatchoff »

La restauration progresse 8-)
Chose surprenante, pas un crachotement dans potars et rotacteurs !
Les condos, qui sont tous d'origine, sont bons aux tests et du coup rien n'est à changer.
Le plus gros du boulot est du nettoyage de métal.

Image

Image

Image

Image

Image

Image

Image
Ohm Sweet Ohm
Répondre
  • Sujets similaires
    Réponses
    Vues
    Dernier message