mais tu veux les tuer ?!
Le forum Audiovintage est privé.
En tant qu'invité, vous avez accès à certaines rubriques uniquement, l'ajout de nouveaux membres n'est pas possible pour le moment.
En tant qu'invité, vous avez accès à certaines rubriques uniquement, l'ajout de nouveaux membres n'est pas possible pour le moment.
préampli à lampe triode 6s45p
- Bertrand
- Super Modérateur
- Messages : 2085
- Enregistré le : dim. 20 févr. 2011 20:47
- Localisation : Le Vésinet
Re: préampli à lampe triode 6s45p
La limite pour les 5842S est de 38mA, 4,5w de dissipation. Les datasheet ericson donnent 25mA en "typical opération class A1" avec 60ohm de résistance de cathode et 150v anode. CSF donne 22mA pour les mêmes valeurs: http://www.mif.pg.gda.pl/homepages/fran ... /F7004.pdf
Philips est dans le même ordre de grandeur: http://www.mif.pg.gda.pl/homepages/fran ... 5/5842.pdf
Philips est dans le même ordre de grandeur: http://www.mif.pg.gda.pl/homepages/fran ... 5/5842.pdf
Un tourne disque, des tubes et du haut rendement, et quand je serai grand, j'aurai une TD224 pour écouter des opéras de Wagner en 78trs... 
Ne le répétez pas, mais j'ai aussi des rogers ls3/5a
Ne le répétez pas, mais j'ai aussi des rogers ls3/5a
-
Wagtbtoobz
Re: préampli à lampe triode 6s45p
J'ai les datasheets, je les connais tu t'en doutes. IL faut différencier l'usage originel : préamp UHF en fonctionnement "grille à la masse", de l'usage audio . Ce qui était recherché était une très basse Ri compatible avec des Z de travail amont et aval inférieures à 100ohms (et en circuits accordés...) . En audio, on n'est pas coincé par ce dilemne et s'en affranchir permet de surmultiplier la durée de vie ! C'est le même raisonnement que les utilisateurs de ECC88/6DJ8 devraient tenir . Bon , après tu choisis , mais mon stock de 5842S a fondu 
- Bertrand
- Super Modérateur
- Messages : 2085
- Enregistré le : dim. 20 févr. 2011 20:47
- Localisation : Le Vésinet
Re: préampli à lampe triode 6s45p
Je pense bien que tu les connais...
Mon souci est que la correction RIAA est ensuite calculée en fonction de l'impédance de sortie du premier tube, donc je ne peux pas trop bouger celle-ci. Avec 3w de dissipation et une Ia inférieure de moitié au max de la datasheet, je pensais être dans une plage de fonctionnement relativement sécurisée pour le tube ceci dit (qui a l'air assez robuste). Je pourrai modifier la R de cathode ceci dit. Comme elle est découplée, cela aura peu d'incidence sur la résistance interne (ou alors je fais fausse route), Je ferai des essais.
Mon souci est que la correction RIAA est ensuite calculée en fonction de l'impédance de sortie du premier tube, donc je ne peux pas trop bouger celle-ci. Avec 3w de dissipation et une Ia inférieure de moitié au max de la datasheet, je pensais être dans une plage de fonctionnement relativement sécurisée pour le tube ceci dit (qui a l'air assez robuste). Je pourrai modifier la R de cathode ceci dit. Comme elle est découplée, cela aura peu d'incidence sur la résistance interne (ou alors je fais fausse route), Je ferai des essais.
Un tourne disque, des tubes et du haut rendement, et quand je serai grand, j'aurai une TD224 pour écouter des opéras de Wagner en 78trs... 
Ne le répétez pas, mais j'ai aussi des rogers ls3/5a
Ne le répétez pas, mais j'ai aussi des rogers ls3/5a
-
Wagtbtoobz
Re: préampli à lampe triode 6s45p
Qu'est ce que tu envisages en correction RIAA ? UN passif 2 cellules ? Zload input = ? le découplage (facultatif) de cathode détermine uniquement le gain ce qui est peu problématique sur l'étage d'entrée où le recul de bruit est prépondérant 
PS : le paramètre Pa max ne prend pas en compte la longévité : Sur ce critère, l'usage EXCLUSIVEMENT professionnel de cette ref nécéssitait une routine de maintenance préventive par remplacement systématique toutes les 2500heures (tête Rx UHF sur faisceaux hertziens 1,8GHz Thomson-CSF par exemple ) .L'armée les approvisionnait en caisse de 200 ... (d'où proviennent celles-ci)
PS : le paramètre Pa max ne prend pas en compte la longévité : Sur ce critère, l'usage EXCLUSIVEMENT professionnel de cette ref nécéssitait une routine de maintenance préventive par remplacement systématique toutes les 2500heures (tête Rx UHF sur faisceaux hertziens 1,8GHz Thomson-CSF par exemple ) .L'armée les approvisionnait en caisse de 200 ... (d'où proviennent celles-ci)
Modifié en dernier par Wagtbtoobz le lun. 23 avr. 2018 11:05, modifié 2 fois.
- Bertrand
- Super Modérateur
- Messages : 2085
- Enregistré le : dim. 20 févr. 2011 20:47
- Localisation : Le Vésinet
Re: préampli à lampe triode 6s45p
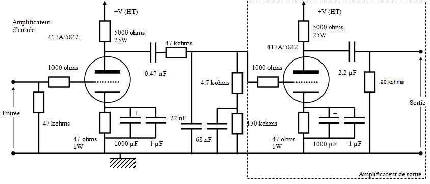
Oui, un passif RC.
Le schéma de principe est celui-là, avec 130v anode et charge anode de 5kohm:
L'intérêt (entre autre) est de sortir du second tube à relativement basse impédance pour attaquer l'étage ligne dont l'impédance d'entrée est de 50kohm.
Le schéma de principe est celui-là, avec 130v anode et charge anode de 5kohm:
L'intérêt (entre autre) est de sortir du second tube à relativement basse impédance pour attaquer l'étage ligne dont l'impédance d'entrée est de 50kohm.
Un tourne disque, des tubes et du haut rendement, et quand je serai grand, j'aurai une TD224 pour écouter des opéras de Wagner en 78trs... 
Ne le répétez pas, mais j'ai aussi des rogers ls3/5a
Ne le répétez pas, mais j'ai aussi des rogers ls3/5a
-
Wagtbtoobz
Re: préampli à lampe triode 6s45p
Avec 47k on s'en fout : tu peux sortir avec quasiment 10k ohms de Z source
- Bertrand
- Super Modérateur
- Messages : 2085
- Enregistré le : dim. 20 févr. 2011 20:47
- Localisation : Le Vésinet
Re: préampli à lampe triode 6s45p
Oui, nous sommes d'accord, pour le second tube, cela a peu d'importance, si je reste sur ce type de petite triode, ou sur ses cousines (437A, ec8010, etc...) dont la Ri est assez basse en sortie d'anode, comparée aux doubles triodes plus courantes comme les ecc81 ecc82 ou ecc83.
Un tourne disque, des tubes et du haut rendement, et quand je serai grand, j'aurai une TD224 pour écouter des opéras de Wagner en 78trs... 
Ne le répétez pas, mais j'ai aussi des rogers ls3/5a
Ne le répétez pas, mais j'ai aussi des rogers ls3/5a
-
Wagtbtoobz
Re: préampli à lampe triode 6s45p
Il existe une autre ref moins gogodiophile qui est la 6J4 (WA chez Thomson-CSF , RAYTHEON et d'autres) : si tu te penches dessus (sans tomber) , tu t' apercevras qu'elle correspond étrangement à une demi 5842 ... encore un truc à expérimenter 
- Bertrand
- Super Modérateur
- Messages : 2085
- Enregistré le : dim. 20 févr. 2011 20:47
- Localisation : Le Vésinet
Re: préampli à lampe triode 6s45p
Quelques nouvelles de ce préampli.
J'ai donc entrepris la réalisation d'une entrée phono conforme, en ce qui concerne la correction RC, au schéma posté plus haut que nous devons à AJMARS.
J'ai utilisé des résistances Mills non inductive pour les résistances d'anode et de cathode, des capas elna silmic pour le découplage des R de cathode, et des résistances kiwame qui sont d'excellents factures, et très précises, pour le reste. Les capas du filtre RC sont des wima MKP pour l'instant, et pour les capas de laisons, j'ai pris ce que j'avais dans un premier temps, des MKP de récupération...ce n'est pas très joli, je pense que j'investirai dans des capas un peu plus haut de gamme (et donc plus chères) dans l'avenir, ça en vaut le coup.
J'ai d'abord utilisé l’alimentation dont je dispose dans le préampli, mais cela n'était pas complétement satisfaisant. Si la correction de gravure est a priori bonne, et si la sonorité des 5842S est excellente, à la fois détaillée et très dynamique, en revanche l'alimentation ne permet pas d'éradiquer totalement le bruit de fond qui reste présent. Je n'ai en effet pas la possibilité sur le châssis de multiplier les selfs, les capas et les résistances chutrices pour aboutir un bruit de fond résiduel inaudible ou peu audible. L'alim filament ne peut non plus être filtrée convenablement.
Qui plus est, tout cela chauffe beaucoup plus qu'avant, et ne permet qu'une écoute très limuitée dans le temps si je ne vaux pas voir un peu de fumée sortir par un trou ou l'autre...
J'ai donc décidé de construire une alimentation indépendante pour la partie phono à partir de certains éléments dont je disposais dans mes placards, et d'un transfo d'alim qui était à vendre à côté de chez moi...ça tombait bien. Bien que prévu pour 220v (ou 117), avec mes 230v cela devrait aller.
Je disposais donc d'un châssis possible, de deux selfs d'origine japonaises (une tango et une "SEL"), de divers capas de filtrage pour la HT et la BT, et de quelques 5U4G en surplus.
Je sais qu'un schéma de ce que j'ai fait serait plus parlant, mais je ne sais toujours pas dessiner.
Il y a donc un redressement par une 5u4g, qui est une valve à chauffage directe, et donc une RI assez élevée, suivie d'une capa de 33µF, puis de quatre filtrage en pi successifs, deux avec des selfs de 10H, deux avec des résistances chutrices pour aboutir à 220v alimentation anode (avant la résistance de charge), et des capas mundorf Mlytic double de 2x 100µF. Je pense que pour la dernière double capa, je tenterai une mundorf de 2x300µF.
La BT est redressée puis ensuite filtrée de la même manière par plusieurs filtres en pi, avec des résistances de bien moindre valeur, mais des capas beaucoup plus grossses (4700*F et 10000*F...il me reste des 33000µF , mais je n'avais pas la place
).
Ensuite, j'ai sacrifié divers cordons d'alim d'appareils hors d'usage, en particulier pour la liaison entre le l'alim et le préampli.
C'est beaucoup plus silencieux, pas encore totalement parfait, mais je crois que je vais regarder de plus près la liaison entre les masses, pour voir.
En photo, cela donne ceci pour le préampli (j'ai enlevé provisoirement le contrôle de balance, que je remettrai un de ces jours):
Je ne montre pas de photos sous les jupes, par égard pour les virtuoses du fer à souder, ils risqueraient de frémir...
Pour l'alimentation, c'est assez présentable...
Voili voilou...
Pour l'écoute, c'est ce que j'ai eu de meilleur chez moi. A la fois détaillé, dynamique, rapide, bien timbré...bref, que du bon.
J'ai donc entrepris la réalisation d'une entrée phono conforme, en ce qui concerne la correction RC, au schéma posté plus haut que nous devons à AJMARS.
J'ai utilisé des résistances Mills non inductive pour les résistances d'anode et de cathode, des capas elna silmic pour le découplage des R de cathode, et des résistances kiwame qui sont d'excellents factures, et très précises, pour le reste. Les capas du filtre RC sont des wima MKP pour l'instant, et pour les capas de laisons, j'ai pris ce que j'avais dans un premier temps, des MKP de récupération...ce n'est pas très joli, je pense que j'investirai dans des capas un peu plus haut de gamme (et donc plus chères) dans l'avenir, ça en vaut le coup.
J'ai d'abord utilisé l’alimentation dont je dispose dans le préampli, mais cela n'était pas complétement satisfaisant. Si la correction de gravure est a priori bonne, et si la sonorité des 5842S est excellente, à la fois détaillée et très dynamique, en revanche l'alimentation ne permet pas d'éradiquer totalement le bruit de fond qui reste présent. Je n'ai en effet pas la possibilité sur le châssis de multiplier les selfs, les capas et les résistances chutrices pour aboutir un bruit de fond résiduel inaudible ou peu audible. L'alim filament ne peut non plus être filtrée convenablement.
Qui plus est, tout cela chauffe beaucoup plus qu'avant, et ne permet qu'une écoute très limuitée dans le temps si je ne vaux pas voir un peu de fumée sortir par un trou ou l'autre...
J'ai donc décidé de construire une alimentation indépendante pour la partie phono à partir de certains éléments dont je disposais dans mes placards, et d'un transfo d'alim qui était à vendre à côté de chez moi...ça tombait bien. Bien que prévu pour 220v (ou 117), avec mes 230v cela devrait aller.
Je disposais donc d'un châssis possible, de deux selfs d'origine japonaises (une tango et une "SEL"), de divers capas de filtrage pour la HT et la BT, et de quelques 5U4G en surplus.
Je sais qu'un schéma de ce que j'ai fait serait plus parlant, mais je ne sais toujours pas dessiner.
Il y a donc un redressement par une 5u4g, qui est une valve à chauffage directe, et donc une RI assez élevée, suivie d'une capa de 33µF, puis de quatre filtrage en pi successifs, deux avec des selfs de 10H, deux avec des résistances chutrices pour aboutir à 220v alimentation anode (avant la résistance de charge), et des capas mundorf Mlytic double de 2x 100µF. Je pense que pour la dernière double capa, je tenterai une mundorf de 2x300µF.
La BT est redressée puis ensuite filtrée de la même manière par plusieurs filtres en pi, avec des résistances de bien moindre valeur, mais des capas beaucoup plus grossses (4700*F et 10000*F...il me reste des 33000µF , mais je n'avais pas la place
Ensuite, j'ai sacrifié divers cordons d'alim d'appareils hors d'usage, en particulier pour la liaison entre le l'alim et le préampli.
C'est beaucoup plus silencieux, pas encore totalement parfait, mais je crois que je vais regarder de plus près la liaison entre les masses, pour voir.
En photo, cela donne ceci pour le préampli (j'ai enlevé provisoirement le contrôle de balance, que je remettrai un de ces jours):
Je ne montre pas de photos sous les jupes, par égard pour les virtuoses du fer à souder, ils risqueraient de frémir...
Pour l'alimentation, c'est assez présentable...
Voili voilou...
Pour l'écoute, c'est ce que j'ai eu de meilleur chez moi. A la fois détaillé, dynamique, rapide, bien timbré...bref, que du bon.
Un tourne disque, des tubes et du haut rendement, et quand je serai grand, j'aurai une TD224 pour écouter des opéras de Wagner en 78trs... 
Ne le répétez pas, mais j'ai aussi des rogers ls3/5a
Ne le répétez pas, mais j'ai aussi des rogers ls3/5a
