Le forum Audiovintage est privé.
En tant qu'invité, vous avez accès à certaines rubriques uniquement, l'ajout de nouveaux membres n'est pas possible pour le moment.

Expérimentation : PushPuLL EL84 en Classe A

Fabrication maison, à base de jus de passion.
Répondre
Avatar du membre
Vinc
Membre no life
Messages : 4743
Enregistré le : lun. 9 nov. 2009 19:07
Localisation : Belgique

Re: Expérimentation : PushPuLL EL84 en Classe A

Message par Vinc »

Juxanouille a écrit :Encore une autre alternative facile et pas cher pour l'alimentation 6,3V pour le chauffage. Même pas besoins d'un transfo.
Par contre je sais pas si c'est 2 x 10A ou 2x 5A = 10A.

http://cgi.ebay.fr/ws/eBayISAPI.dll?Vie ... 1436.l2649"

PS : Je vais chercher mon oscillo demain :genial:
ça m'a tout l'air d’être a découpage... j'eviterais.
un régulateur linéaire comme lm 317 OK, mais le découpage rayonne beaucoup d’harmonique.
Avatar du membre
Juxanouille
Membre honoraire
Messages : 296
Enregistré le : lun. 7 juin 2010 17:34
Localisation : 1)Montmirail (Marne) 2)Tressange(Moselle)

Re: Expérimentation : PushPuLL EL84 en Classe A

Message par Juxanouille »

Oui, tu as raison Vinc, ca rayonne mais la caractéristique des alims à raisonnances c'est que ca rayonne à plus hautes fréquences que les alims à découpage classique ( > à 100kHz ou 200kHz ). En théorie (je n'ai pas essayé) ca ne devrait donc pas perturber la BF de l'ampli.

Un autre avis peut-être? Ais-je raison? Tord? ? :gne:
Julian! Back to the past!
Avatar du membre
jacqueline
Super membre
Messages : 811
Enregistré le : mar. 18 oct. 2011 10:38
Localisation : Savoie
Contact :

Re: Expérimentation : PushPuLL EL84 en Classe A

Message par jacqueline »

Oui mais ton ampli va marcher avec un tuner, un lecteur de CD...

il faudra mettre des filtres sur les alims de chacun.
Kenwood DP 1100-SG, Kenwoood KT 7550, Teac V1010, Marantz PM 72, B & W DM 640
Marantz CD 63 KI, Technics SU 3400, Yamaha NX E-800, Dynaudio 100
Scott S177( 3 voies)
Onkyo DX706, Marantz CD54, Philips CD104, Philips CD140, Radiola CD1006.....
Avatar du membre
Juxanouille
Membre honoraire
Messages : 296
Enregistré le : lun. 7 juin 2010 17:34
Localisation : 1)Montmirail (Marne) 2)Tressange(Moselle)

Re: Expérimentation : PushPuLL EL84 en Classe A

Message par Juxanouille »

Oui c'est vrais... J'y ai un peu pensé... Du coup je vais me rabattre sur le LT1083 + Transformateur torique.

Merci pour les conseils!
Julian! Back to the past!
Avatar du membre
Vinc
Membre no life
Messages : 4743
Enregistré le : lun. 9 nov. 2009 19:07
Localisation : Belgique

Re: Expérimentation : PushPuLL EL84 en Classe A

Message par Vinc »

Juxanouille a écrit :Oui c'est vrais... J'y ai un peu pensé... Du coup je vais me rabattre sur le LT1083 + Transformateur torique.

Merci pour les conseils!
le lm 317 fonctionne bien aussi, je connais pas le LT 1083 je vais jeter un œil

bah en fait c'est la même chose remis a niveau ;), juste un meilleur rendement
Avatar du membre
Juxanouille
Membre honoraire
Messages : 296
Enregistré le : lun. 7 juin 2010 17:34
Localisation : 1)Montmirail (Marne) 2)Tressange(Moselle)

Re: Expérimentation : PushPuLL EL84 en Classe A

Message par Juxanouille »

Merci pour les infos.

Pour le PP d'EL84 est ce que c'est mieux d'alimenter les 2 el84 en série avec 12,6V(continue) ou en parallèle avec 6,3V(continue)?
Ce choix me permettra de mieux dimensionner l'alim du chauffage et l'implantation des composants :gne:
Julian! Back to the past!
Avatar du membre
Vinc
Membre no life
Messages : 4743
Enregistré le : lun. 9 nov. 2009 19:07
Localisation : Belgique

Re: Expérimentation : PushPuLL EL84 en Classe A

Message par Vinc »

de ce que j'ai vu la plus part des montages/constructeurs font du parallèle
Avatar du membre
Juxanouille
Membre honoraire
Messages : 296
Enregistré le : lun. 7 juin 2010 17:34
Localisation : 1)Montmirail (Marne) 2)Tressange(Moselle)

Re: Expérimentation : PushPuLL EL84 en Classe A

Message par Juxanouille »

Oui tu as raison Vinc, mais bon... En fait ca m'arrangeais de faire en 12,6V mais bon... Je vais me le faire en traditionnelle 6,3V en //.

Si non j'ai pu faire de petites mesures sur l'ampli... C'est pas terrible terrible mais bon c'est pas non plus catastrophique.

Pour les connaisseurs, je mets quelques photos prisent sur l'oscilloscope avec et sans Contre réaction.

20 hz sans CR
Image
Image

20Hz avec CR
Image
Image

2kHz sans CR
Image
Image

2kHz avec CR
Image
Image

20kHz sans CR
Image
Image

20kHz avec CR
Image
Image

Déphasage à 180° à 500kHz en boucle ouverte
Image

L'effet de la CR est celui attendu, amélioration de la bande passante, apparition des oscillations avec les signaux carrés (pas trop important même sans réseau compensateur).

Ce qui m'impressionne c'est que j'obtiens le déphasage de 180° en boucle ouverte à 500kHz avec un gain très réduit du coup les transfos de chez magnetic sont quand même pas mal pour éviter les oscillations HF en boucle fermé.

J'ai aussi un gros déphasage en basse fréquence en boucle fermée à 20hz j'ai presque 180° de déphasage.

Par contre j'ai voulu faire des mesures au niveau du préamp mais j'obtiens un signal assez déformé (en AC sur l'oscilloscope), y a t'il un façon de faire pour mesurer par exemple le signal en sortie du déphaseur cathodyne ou en sortie du préamp??

Voila, j'archive, et je comparerais ces signaux relevés quand il y aura de nouvelles modifications et les impressions à l'écoute.
Julian! Back to the past!
Avatar du membre
Juxanouille
Membre honoraire
Messages : 296
Enregistré le : lun. 7 juin 2010 17:34
Localisation : 1)Montmirail (Marne) 2)Tressange(Moselle)

Re: Expérimentation : PushPuLL EL84 en Classe A

Message par Juxanouille »

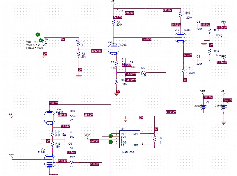
Pour ceux que ca intéresse voici la dernière version du schéma tel que je l'ai câblé.

Image

Je n'arrive pas à mesurer la tension plaque du déphaseur cathodyne.

J'ai 120V par rapport à la masse, et 83 V si je mesure aux bornes de R10... La tension cathode est bonne pourtant... Ca doit venir de la résistance du multimètre.??
Julian! Back to the past!
Avatar du membre
Vinc
Membre no life
Messages : 4743
Enregistré le : lun. 9 nov. 2009 19:07
Localisation : Belgique

Re: Expérimentation : PushPuLL EL84 en Classe A

Message par Vinc »

doublon
Modifié en dernier par Vinc le ven. 24 févr. 2012 06:17, modifié 1 fois.
Répondre
  • Sujets similaires
    Réponses
    Vues
    Dernier message