Avec des instruments de mesures, c'est tout de suite plus simple !
1. Vérification de la distortion
en haute fréquence, pas de problème
en BF : ça se corse !
à 20Hz, on a des horreurs, et la disto apparait dès les 500Hz...
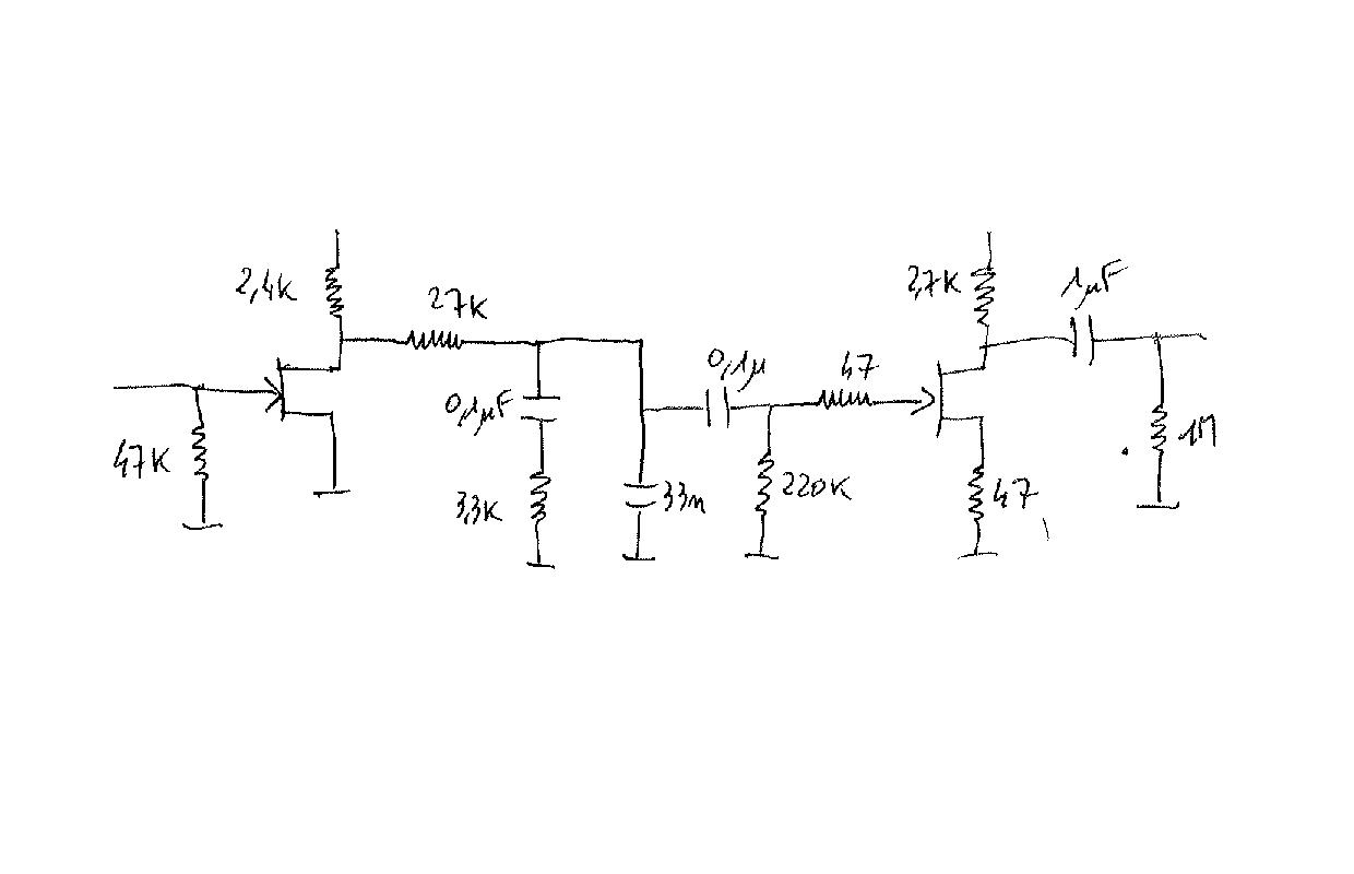
2. Etage d'entrée
Si ça distors en sortie, il faut controler à quel moment le bazar arrive.
Le premier étage est rassurant :
pour une tension d'entrée un peu haute (12mV) on a une Bande passante à -3dB de 3Hz à 3,7MégaHz ! avec une tension de sortie autour de 400mV je crois.

Les photo de l'oscillo sont vraiment floues, mais les courbes avaient de belles sinusoides, se superposant bien au signal d 'entrée
3. Après le filtre
Ici tout va bien, la courbe RIAA semble respectée
4. Etage 2
Là c'est la cata.
Conclusion : l'étage d'entrée amplifie tellement qu'il sature l'étage 2
On reprend la proposition d'Osborof sur ce schéma, et après quelques mesures, il faut effectivement baisser la tension avec une R série sur le rail +
En sortie cela distord encore un peu : et effectivement, en plaçant une R série à la Source du Jfet, on rétablit peu à peu un belle courbe sans distortion dans le grave
on à essayé 500 Ohm, 200 Ohm, et la valeur préconisée (la meilleure bizarrement)
Conclusion :
Le pré envoyait une tension bien trop élevée à l'ampli casque, qui commençait à saturer. Sans référence, pas évident de s'en rendre compte. Mais voir les courbes à l'écran, c'est direct
Ca marche bien mieux...MAIS.....j'ai encore les sifflantes sur les "S" !!!
Donc ça repassera au banc de mesure très prochainement (d'autant plus qu'un collègue à trouvé un analyseur de spectre facile à emprunter !)
