Je partage à 100%. N'hésite pas de mettre une valeur comprise entre disons 22µF et 47µF. Ta 5U4G te remerciera.Cette self va protéger les tubes du circuit amplificateur (300B et 6SN7) contre une montée brutale de la HT quand les filaments sont froids de la même facon qu'une valve a chauffage indirect type GZ34/GZ32 (encore que 15 secondes soit trop juste).
Mais pour moi elle ne protege pas la valve de redressement (la 5U4G) qui alimente directement le condensateur de tête. A l'allumage, ce condensateur va demander a la 5U4G de fournir une crete de courant au dela de ses possibilités. La seule chose qui va freiner un peu cet appel de courant est la résistance de 10 ohms, mais pas suffisament.
Le forum Audiovintage est privé.
En tant qu'invité, vous avez accès à certaines rubriques uniquement, l'ajout de nouveaux membres n'est pas possible pour le moment.
En tant qu'invité, vous avez accès à certaines rubriques uniquement, l'ajout de nouveaux membres n'est pas possible pour le moment.
Ampli 300B SE - Construction
-
6336A
Re: AMPLI 300B SE - CONSTRUCTION
Bonjour à tous

- penfall
- Membre honoraire
- Messages : 466
- Enregistré le : ven. 30 janv. 2015 16:13
- Localisation : Entre Sword beach et Utah beach
Re: AMPLI 300B SE - CONSTRUCTION
Bonjour
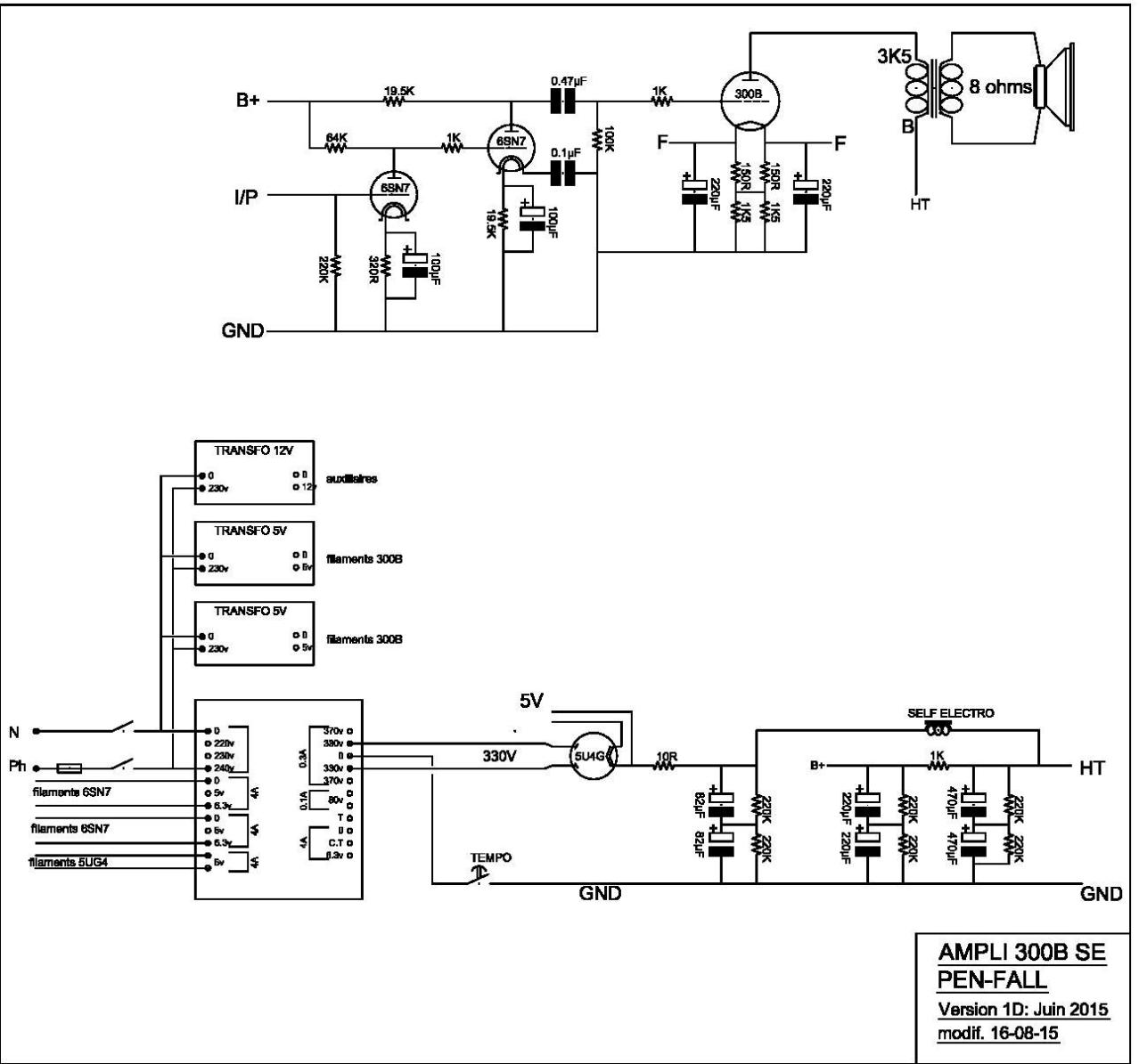
Merci Jean-François et Jean-Noël pour vos observations et recommandations, donc schéma à jour avec condensateurs à la bonne valeur..
François
Merci Jean-François et Jean-Noël pour vos observations et recommandations, donc schéma à jour avec condensateurs à la bonne valeur..
François
Au début Dieu fit trois grosses erreurs. La première s'appelait Homme. La deuxième s'appelait Femme. La troisième erreur fut l'invention du caniche. (Franck Zappa)
- michel29
- Membre éminent
- Messages : 1897
- Enregistré le : mar. 3 août 2010 18:47
Re: AMPLI 300B SE - CONSTRUCTION
truc tordu
pour la tempo et obtenir une montée lente de la HT
mettre le filament de la valve sous tension avec la tempo
les autres filaments seront chauds
la valve en chauffant laissera monter la HT de façon progressive
solution viable et sans danger pour la valve ?
self électronique ?
connais pas
çà serait un circuit électronique qui se comporterait comme si il y avant une grosse self de plusieurs Henry ou dizaines de Henry?
pour la tempo et obtenir une montée lente de la HT
mettre le filament de la valve sous tension avec la tempo
les autres filaments seront chauds
la valve en chauffant laissera monter la HT de façon progressive
solution viable et sans danger pour la valve ?
self électronique ?
connais pas
çà serait un circuit électronique qui se comporterait comme si il y avant une grosse self de plusieurs Henry ou dizaines de Henry?
- Sudiste
- Super membre
- Messages : 819
- Enregistré le : lun. 17 août 2015 16:52
- Localisation : Marseille
Re: AMPLI 300B SE - CONSTRUCTION
http://diysystem.free.fr/html/details_1_blocmono_0.html
Un schéma que j'avais monté fut un temps et qui fonctionnait à merveille ...après la 5U4G je te conseille même une 68uf avec résistance en amont si tu veux qu'elle ne claque pas !.
C'était un montage pentode/triode et sur des pavillons Altec 511B + 808 8B (104dB) pas un brin de ronflette...je m'en servais en médium/aigu et plus tard sur les D58-ES cela fonctionnait aussi nickel !.
La ronflette si ce n'est pas résolu vient soit du fait que tu n'as pas régulé tes filaments soit que ton montage n'est pas en étoile...
Un schéma que j'avais monté fut un temps et qui fonctionnait à merveille ...après la 5U4G je te conseille même une 68uf avec résistance en amont si tu veux qu'elle ne claque pas !.
C'était un montage pentode/triode et sur des pavillons Altec 511B + 808 8B (104dB) pas un brin de ronflette...je m'en servais en médium/aigu et plus tard sur les D58-ES cela fonctionnait aussi nickel !.
La ronflette si ce n'est pas résolu vient soit du fait que tu n'as pas régulé tes filaments soit que ton montage n'est pas en étoile...
Modifié en dernier par Sudiste le mer. 19 août 2015 20:59, modifié 4 fois.
Christian
- Sudiste
- Super membre
- Messages : 819
- Enregistré le : lun. 17 août 2015 16:52
- Localisation : Marseille
Re: AMPLI 300B SE - CONSTRUCTION
Pour la self 10H est un minimum...michel29 a écrit :truc tordu
pour la tempo et obtenir une montée lente de la HT
mettre le filament de la valve sous tension avec la tempo
les autres filaments seront chauds
la valve en chauffant laissera monter la HT de façon progressive
solution viable et sans danger pour la valve ?
self électronique ?
connais pas
çà serait un circuit électronique qui se comporterait comme si il y avant une grosse self de plusieurs Henry ou dizaines de Henry?
Christian
- penfall
- Membre honoraire
- Messages : 466
- Enregistré le : ven. 30 janv. 2015 16:13
- Localisation : Entre Sword beach et Utah beach
Re: AMPLI 300B SE - CONSTRUCTION
Bonjour
Voila c’est fait, j'ai suivi vos conseils, les deux condos de tête sont changés, valeur ramenée à 34µF (2x68 en série), et comme j’avais les mains dedans, j’en ai profité pour monter en gamme au niveau des condensateurs de liaison, deux Audio Note « copper foil in paper in oil » (pas cadeau les 2 bestioles)...
Voili voilou, il n'y a plus qu'à déguster...
François
Voila c’est fait, j'ai suivi vos conseils, les deux condos de tête sont changés, valeur ramenée à 34µF (2x68 en série), et comme j’avais les mains dedans, j’en ai profité pour monter en gamme au niveau des condensateurs de liaison, deux Audio Note « copper foil in paper in oil » (pas cadeau les 2 bestioles)...
Voili voilou, il n'y a plus qu'à déguster...
François
Au début Dieu fit trois grosses erreurs. La première s'appelait Homme. La deuxième s'appelait Femme. La troisième erreur fut l'invention du caniche. (Franck Zappa)
- penfall
- Membre honoraire
- Messages : 466
- Enregistré le : ven. 30 janv. 2015 16:13
- Localisation : Entre Sword beach et Utah beach
Re: AMPLI 300B SE - CONSTRUCTION
Oh la tuile, en lisant la doc. de montage du DAC.1, je me suis rendu compte que j’avais câblé les condensateurs de liaison Audionote à l’envers, dans le sens de l’écriture (comme les Mundorf Silver/Oil) et non suivant le symbole indiqué.
Donc à modifier …
Donc à modifier …
Au début Dieu fit trois grosses erreurs. La première s'appelait Homme. La deuxième s'appelait Femme. La troisième erreur fut l'invention du caniche. (Franck Zappa)
-
6336A
Re: AMPLI 300B SE - CONSTRUCTION
Bonsoir
Pourquoi ?Sudiste a écrit : Pour la self 10H est un minimum...
- penfall
- Membre honoraire
- Messages : 466
- Enregistré le : ven. 30 janv. 2015 16:13
- Localisation : Entre Sword beach et Utah beach
Re: AMPLI 300B SE - CONSTRUCTION
Bonjour
J'ai un ami qui fait le même type d'ampli que le mien, par contre il ne va pas utiliser de lampe redresseuse type 5U4G, il va essayer l'ensemble sur PCB de Pete Millet.
http://www.pmillett.com/hvrect3.html
http://www.pmillett.com/index.html
J'ai un ami qui fait le même type d'ampli que le mien, par contre il ne va pas utiliser de lampe redresseuse type 5U4G, il va essayer l'ensemble sur PCB de Pete Millet.
http://www.pmillett.com/hvrect3.html
http://www.pmillett.com/index.html
Au début Dieu fit trois grosses erreurs. La première s'appelait Homme. La deuxième s'appelait Femme. La troisième erreur fut l'invention du caniche. (Franck Zappa)
- penfall
- Membre honoraire
- Messages : 466
- Enregistré le : ven. 30 janv. 2015 16:13
- Localisation : Entre Sword beach et Utah beach
Re: AMPLI 300B SE - CONSTRUCTION
Bonjour
J'ai commandé les éléments afin d'assembler un ampli suivant un plan de M. Jacovopoulos (Fredy 408).
J'aurai besoin de vos lumières car je n'ai pas de préampli, j'envisage donc une petite modif. sur l'intégré 300B via des straps en aval des 6SN7 puis coupure de la HT vers transfo de sortie...
D'après vous, cela fonctionnerait'il suivant le schéma modifié ci-dessous ?
François
J'ai commandé les éléments afin d'assembler un ampli suivant un plan de M. Jacovopoulos (Fredy 408).
J'aurai besoin de vos lumières car je n'ai pas de préampli, j'envisage donc une petite modif. sur l'intégré 300B via des straps en aval des 6SN7 puis coupure de la HT vers transfo de sortie...
D'après vous, cela fonctionnerait'il suivant le schéma modifié ci-dessous ?
François
Au début Dieu fit trois grosses erreurs. La première s'appelait Homme. La deuxième s'appelait Femme. La troisième erreur fut l'invention du caniche. (Franck Zappa)
-
- Sujets similaires
- Réponses
- Vues
- Dernier message
-
- 9 Réponses
- 28054 Vues
-
Dernier message par doum
